Ford Fiesta: Jaki silnik wybrać? Sprawdź, zanim kupisz!
Kornel Wysocki - Strona 2
Autor Wojciech Piotrowski - najnowsze wpisy
Autor Jerzy Przybylski - najnowsze wpisy
Motul 5W30: Wybierz idealny olej dla silnika Poradnik eksperta
Kiedy poprawiono silnik 1.8 VVT-i? Poznaj datę i jak rozpoznać!
Audi A3 8P: Maglownica objawy, przyczyny, regeneracja i koszty
Publikacje autora
Jak uszczelnić chłodnicę? Poradnik naprawy i ocena opłacalności
Jak uszczelnić chłodnicę wody? Poznaj skuteczne metody naprawy wycieków: od uszczelniaczy po profesjonalne rozwiązania. Sprawdź, kiedy naprawiać, a kiedy wymieniać!
Peugeot 308: Uszkodzona maglownica? Rozpoznaj objawy i koszty
Masz problem z maglownicą w Peugeot 308? Poznaj kluczowe objawy uszkodzenia, przyczyny, opcje naprawy i pełne koszty. Zadbaj o bezpieczeństwo!
Zatarty silnik: Ruszyć czy wymieniać? Koszty, objawy, ratunek!
Zatarty silnik? Dowiedz się, jak go zdiagnozować, czy domowe metody pomogą, jakie są ryzyka i kiedy opłaca się remont lub wymiana.
Przebita opona? Zdiagnozuj ją w 5 min i działaj!
Podejrzewasz przebitą oponę? Naucz się szybko diagnozować objawy, lokalizować dziurę (test mydlany!) i poznaj opcje naprawy. Sprawdź, co robić krok po kroku.
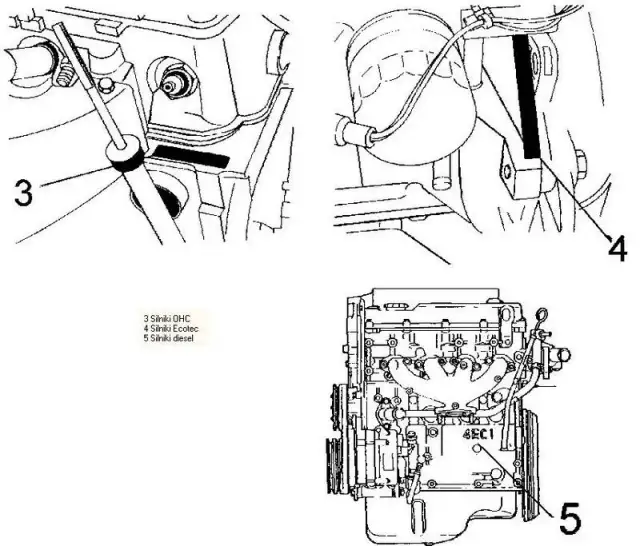
Kod silnika Opel Insignia: Gdzie szukać i jak odczytać?
Szukasz kodu silnika w Opel Insignia? Sprawdź nasz przewodnik! Znajdziesz lokalizacje na bloku, tabliczce, VIN i w dokumentach. Niezbędne do części.
Opony 225 vs 235 mm: Czy możesz zmienić? Sprawdź, zanim kupisz!
Zastanawiasz się, czy opony 225 mm to bezpieczny zamiennik dla 235 mm? Poznaj wpływ na homologację, bezpieczeństwo i koszty. Sprawdź, zanim kupisz!
DPF: Co oznacza procent napełnienia? Sprawdź i uniknij awarii!
DPF: Ile procent zapełnienia jest krytyczne? Poznaj poziomy sadzy i popiołu, objawy, skuteczną regenerację i koszty napraw. Sprawdź nasz poradnik!
Twój DPF to pieniądze! Ile jest wart i jak go sprzedać z zyskiem?
Ile za DPF na złomie? Poznaj aktualne ceny (100-3000 zł) i czynniki wyceny. Sprawdź, jak sprzedać filtr DPF, by zarobić najwięcej i uniknąć błędów.
Wymiana maglownicy Audi A4 B5: Poradnik krok po kroku Zrób to sam!
Kompleksowy poradnik wymiany maglownicy w Audi A4 B5. Poznaj objawy, narzędzia i instrukcję krok po kroku. Oszczędź na naprawie! Sprawdź, jak to zrobić sam.
Twój Motul 5W-40: X-cess czy X-clean? Uniknij błędu z DPF!
Wybierz właściwy olej Motul 5W-40! Porównaj X-cess gen2 i X-clean gen2, poznaj normy i uniknij błędów z DPF. Sprawdź nasz poradnik!